Ersatzteilliste fuer 24-37.094
Bild-Nr. 24-37.094
24-37.094/A
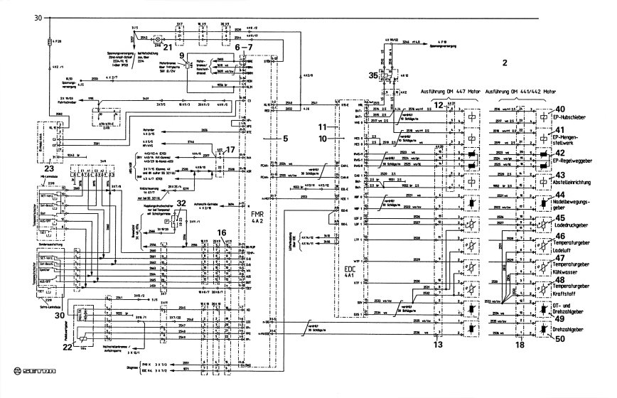
MOTORREGELUNG EDC - FMR
Bildtafel-Nr. 24-37.094/A
ALLGEMEINE SYSTEME
EDC - FMR / OM 441 LA, 442 LA, 447 HLA
24-37.094/A
GENERAL SYSTEMS
20.07.06
Pos.
Teile-Nummer
Benennung
Stueck
Description
Abmessung
1
325-92.43.100-01 -
MOTORREGELUNG KPL.
0000
EDC-FMR
.
2
325-92.43.111-01 C
.
MOTORREGELUNG
0000
.ENGINE CONTROL
ELEKTR. SCHALTPLAN
ELECTRICAL CIRCUIT DIAGRAM
.
5
A 000 446 35 02
.
STEUERGERAET
0001
.GOVENOR
ERSATZ POS 5.1
5.1
A 000 446 44 02 B
.
STEUERGERAET
0001
.GOVENOR
6
A 655 545 05 28
.
STECKHUELS.GEH.
0001
.PIN BUSHING HOUSING
4A2/I
7
7.231.120.000 D
.
BUCHSENGEHAEUSE
0001
.SOCKET HOUSING
14-POLIG
4A2/II
8
7.231.120.000 D
.
BUCHSENGEHAEUSE
0001
.SOCKET HOUSING
14-POLIG
4A2/III
9
7.261.040.000
.
WIDERSTAND
25)
0001
.RESISTOR
560 OHM 2 W
.
10
.
STEUERGERAET
22)
0000
.GOVENOR
EDC
11
7.787.068.000
.
STECKVERBINDUNG
0001
.PLUG CONNECTION
55-POLIG
12
7.231.121.000 D
.
BUCHSENGEHAEUSE
0001
.SOCKET HOUSING
6-POLIG
OM 447 HLA
13
A 655 545 05 28
.
STECKHUELS.GEH.
0001
.PIN BUSHING HOUSING
OM 447 HLA
16
7.231.117.000 D
.
BUCHSENGEHAEUSE
0001
.SOCKET HOUSING
22-POLIG
17
7.231.117.000 D
.
BUCHSENGEHAEUSE
0001
.SOCKET HOUSING
22-POLIG
.
18
7.231.274.000
.
BUCHSENGEHAEUSE
0001
.SOCKET HOUSING
25-POLIG
OM 441 LA, 442 LA
.
20
325-94.62.119-01 E
.
HALTER
29)
0001
.SUPPORT
48,5X45X1,5
E-GAS REGLER
21
7.558.044.000 E
.
KONTROLLEUCHTE
0001
.SIGNAL LAMP
OHNE LEUCHTFENSTER
EINZELTEILE SIEHE
FOR COMPON. PARTS,SEE
24-01.
22
8.311.998.981
.
SOLLWERTGEBER KPL.
0001
.
.
23
7.722.023.000 B
.
MODUL
30)
0001
.MODULE
24 V
IS
24
315-92.43.299-02 D
.
PARAMETERLISTE
0001
.
FMR
25
8.311.997.340
.
AUFKLEBER
0001
.
FMR
26
8.311.997.339
.
AUFKLEBER
0001
.
"FMR-ZUSATZ"
.
28
325-92.43.110-01 -
.
TEMPOMAT KPL.
0000
.
UND LEERLAUFERHOEHUNG
30
7.787.070.000 A
..
TEMPOMATSCHALTER
0001
..
MIT TEMPOSET
31
315-72.20.300-01 -
..
RETARDERSCHALTER-EINBAU KPL.
0000
..
SIEHE
SEE
28-06.
32
A 002 821 44 51 E
..
MEMBRANDRUCKSCHALTER
0001
..HYDRAULIC SWITCH
3 BAR A
.
35
RELAIS
RELAY
SIEHE 24-42.
.
40
HUBSCHIEBER
22)
EINSPRITZPUMPE
41
MENGENSTELLWERK
22)
EINSPRITZPUMPE
42
REGELWEGGEBER
22)
EINSPRITZPUMPE
43
ABSTELLEINRICHTUNG
22)
EHAP
44
NADELBEWEGUNGSGEBER
21)
DUESENHALTER
45
GEBER
23)
TRANSMITTER
LADEDRUCK
46
HILFSDREHZAHLGEBER
23)
LADELUFTTEMPERATUR
47
TEMPERATURFUEHLER
24)
TEMPERATURE SENSOR
KUEHLWASSER
48
TEMPERATURFUEHLER
22)
TEMPERATURE SENSOR
KRAFTSTOFF
49
DREHZAHLGEBER
24)
REV TRANSMITTER
EDC
50
DREHZAHLGEBER
24)
REV TRANSMITTER
FMR
21
SIEHE
SEE
01-04.
22
SIEHE
SEE
01-09.
23
SIEHE
SEE
01-17.
24
SIEHE
SEE
01-02.
25
MOTORBREMSE UEBER TRITTPLATTE
29
BIS
UP TO
12.95
30
AB
AS OF
12.95
Zurück zur Bildauswahl 24-37.094.