CATALOG DE PIESE DE SCHIMB

TICO

(VOLAN  PE  PARTEA  STANGA)

   FEBRUARIE 2004

  DAEWOO AUTOMOBILE S.A.

 

 

INTRODUCERE

 

CUPRINS:

 

 

 

 

 

 

 

 

MOTOR (ENGINE)

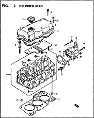
SET GARNITURI MOTOR                                    CHIULASA                                              BLOC MOTOR

 

 

 

 

 

 

 

 

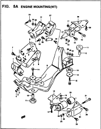
baie de ulei                                    SUPORTI MOTOR SI CV(MT)                SUPORTI MOTOR SI CV(AT)

 

 

 

 

 

 

 

 

ARBORE COTIT                                         AX CU CAME - SUPAPE                          CUREA DISTRIBUTIE

 

 

 

 

 

 

 

 

  GALERIE ADMISIE                                  CARBURATOR - MT                                 CARBURATOR - AT

 

 

 

 

 

 

 

 

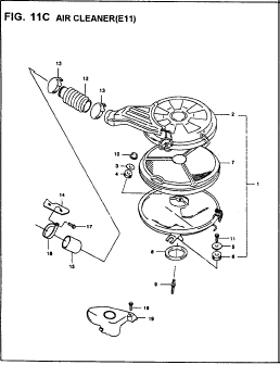
FILTRU AER                             GALERIE ASPIRATIE AER                                FILTRU AER

 

 

 

 

 

 

 

 

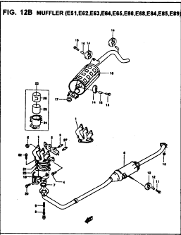
   TOBA ESAPAMENT                                 TOBA ESAPAMENT 2                          POMPA COMBUSTIBIL

 

 

 

 

 

 

 

 

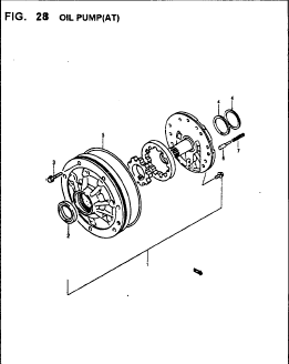
POMPA ULEI                                             POMPA APA                                     RADIATOR - MT

 

 

 

 

 

 

 

 

       RADIATOR - AT                                             FURTUN APA                            CONTROLUL EMISIILOR -                                                                                                                                                  MT: FARA PLUMB

 

 

 

 

 

 

 

 

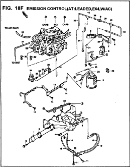
CONTROLUL EMISIILOR - AT: PLUMB   CONTROLUL EMISIILOR - MT: E63       CONTROLUL EMISIILOR -                                                                                                                                                                   AT: FARA PLUMB

 

 

 

 

 

 

 

 

       CONTROLUL EMISIILOR - AT:              CONTROLUL EMISIILOR - AT:                     AER SECUNDAR

         CU PLUMB, E64, FARA A.C.                     CU PLUMB, E64, CU A.C.

 

 

 

 

 

 

 

 

EMBLEME SI ETICHETE

 

 

 

 

 

 

 

 

**********************************************************************************

 CLUTCH & MISSION (AMBREIAJ SI TRANSMISIE)

           AMBREIAJ                                             TRANSMISIE - 4MT                                 TRANSMISIE - 5MT

 

 

 

 

 

 

 

 

MECANISM SCHIMBATOR VITEZE     MECANISM SCHIMBATOR VITEZE       CARTER CUTIE VITEZE- MT

                             4MT                                                                       5MT     

 

 

 

 

 

 

 

 

              CUTIE VITEZE - AT                                   SET GARNITURI C.V.                       CARTER CUTIE VITEZE - AT

 

 

 

 

 

 

 

 

             POMPA ULEI C.V. - AT                                  ARBORE PRIMAR                               PINIOANE PLANETARE

 

 

 

 

 

 

 

 

               PINON REDUCTOR - AT                         FRANA PARCARE - AT                         FRANA SECUNDARA C.V.

 

 

 

 

 

 

 

 

                 BAIE DE ULEI C.V.                               SUPAPE CUTIE VITEZE                       SUPAPA INFERIOARA C.V.

 

 

 

 

 

 

 

 

                 FURTUN  ULEI C.V.                                     DIFERENTIAL - MT                               DIFERENTIAL - AT

 

 

 

 

 

 

 

 

     SCHIMBATOR DE VITEZE - MT             SCHIMBATOR DE VITEZE - AT                SELECTOR VITEZE - AT

 

 

 

 

 

 

 

 

**********************************************************************************

 

ELECTRIC (PARTEA ELECTRICA)

                        DEMAROR                                                  ALTERNATOR                                                  DELCOU

 

 

 

 

 

 

 

 

                          BATERY                                                     TABLOU BORD                                  FAR FATA SI LAMPI

 

 

 

 

 

 

 

 

                       LAMPI SPATE                                       CABLAJE ELECTRICE                      ECHIPAMENT ELECTRIC

 

 

 

 

 

 

 

 

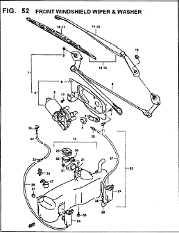
                        SET YALE                                        MECANISM STERGATOR SI              STERGATOR GEAM SPATE

                                                                                          SPALATOR PARBRIZ

 

 

 

 

 

 

 

 

                              RADIO

 

 

 

 

 

 

 

 

**********************************************************************************

 

STEERING (DIRECTIE)

                   SUSPENSIE FATA                                 BARA STABILIZATOARE                    TRANSMISII PLANETARE

 

 

 

 

 

 

 

 

                      BUTUC FATA                                               PUNTE SPATE                                     SUSPENSIE SPATE

 

 

 

 

 

 

 

 

              ANVELOPA SI JANTA                                              VOLAN                                                       VOLAN

 

 

 

 

 

 

 

 

            COLOANA DIRECTIE                                 COLOANA DIRECTIE                            CASETA DIRECTIE

 

 

 

 

 

 

 

 

**********************************************************************************

 

BREAK (SISTEMUL DE FRANARE)

                    PEDALIER - MT                            PEDALA DE ACCELERATIE SI                           SERVOFRANA

                                                                                             PEDALA DE FRANA

 

 

 

 

 

 

 

 

             CONDUCTE DE FRANA                            CONDUCTE DE FRANA                                    FRANA FATA

 

 

 

 

 

 

 

 

                     FRANA SPATE                                            FRANA DE MANA

 

 

 

 

 

 

 

 

**********************************************************************************

 

BODY (CAROSERIE )

                          CAPOTA                                                       ARIPA FATA                                 PARTE FATA CAROSERIE

 

 

 

 

 

 

 

 

              PLANSEU CAROSERIE                      CAROSERIE PARTE LATERALA

 

 

 

 

 

 

 

 

**********************************************************************************

 

TRIM (ECHIPARE)

                        BARA FATA                                                  BARA SPATE                                          PLANSA BORD

 

 

 

 

 

 

 

 

              SISTEM VENTILATIE                                     SISTEM INCALZIRE                         REPARTITOR DE AER

 

 

 

 

 

 

 

 

                        CONSOLA                                            PODEAUA SI MOCHETA                   ECHIPAMENT INTERIOR

 

 

 

 

 

 

 

 

      IMBRACAMINTE INTERIOR SI                                EMBLEME                                           OBTURATOARE

                        ACCESORII

 

 

 

 

 

 

 

 

          OGLINZI SI PARASOLARE                       GEAMURI SI CHEDERE                               PANOU USA FATA

 

 

 

 

 

 

 

 

           MACARA GEAM FATA                        INCHIZATOARE USA FATA                        PANOU USA SPATE

 

 

 

 

 

 

 

 

             MACARA USA SPATE                         INCHIZATOARE USA SPATE                              USA SPATE

 

 

 

 

 

 

 

 

        INCHIZATOARE USA SPATE                                    SCULE                                        REZERVOR COMBUSTIBIL

 

 

 

 

 

 

 

 

                  TABLETA SPATE                                         SCAUNE FATA                                       BANCHETA SPATE

 

 

 

 

 

 

 

 

            CENTURI SIGURANTA

 

 

 

 

 

 

 

 

**********************************************************************************

 

air con & etc ( AER CONDITIONAT + ALTELE )

                AER CONDITIONAT                                                CABLAJE                                            EVAPORATOR

 

 

 

 

 

 

 

 

                      COMPRESOR                                            ULEI SI ALTELE...                                PACHETUL SPORTIV

 

 

 

 

 

 

 

 

                SPOILER MEDIAN